Wähle dein Lieferland, um Preise und Artikel für deinen Standort zu sehen.

  • Mein Konto
  • News
espressoXXL.de espressoXXL.de - Ersatzteil-Shop rund um die Uhr für jedermann...
  • Bestellhotline
  • Service
  • Passwort vergessen
    Neu hier? Jetzt registrieren!
  • 0
    Bitte fügen Sie mindestens zwei Artikel zur Vergleichsliste hinzu.
  • 0,00 €
    Es befinden sich keine Artikel im Warenkorb.
Menü Zurück

  • Ersatzteile Maschinen
  • Ersatzteile Mühlen
  • Zubehör + Zubereitung
  • Reinigung + Entkalkung
  • Geschenk-Set
  • *** B-WARE + AUSLAUFARTIKEL***
  • Ersatzteil-Atlas A-Z
  1. ROCKET ESPRESSO
  2. Startseite
  3. Ersatzteile Maschinen
  4. ROCKET ESPRESSO
  5. CRONOMETRO EVOLUZIONE TYPE V MOZZAFIATO - GIOTTO

CRONOMETRO EVOLUZIONE TYPE V MOZZAFIATO - GIOTTO

Katalog-ID: 19280
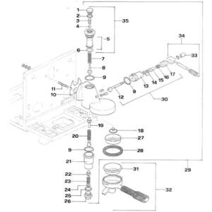
Kaffeeausgabe - Brühgruppe | ROCKET ESPRESSO CRONOMETRO EVOLUZIONE TYPE V MOZZAFIATO - GIOTTO
Kaffeeausgabe - Brühgruppe | ROCKET ESPRESSO CRONOMETRO EVOLUZIONE TYPE V MOZZAFIATO - GIOTTO
Siebträger - Filtersiebe | ROCKET ESPRESSO CRONOMETRO EVOLUZIONE TYPE V MOZZAFIATO - GIOTTO
Siebträger - Filtersiebe | ROCKET ESPRESSO CRONOMETRO EVOLUZIONE TYPE V MOZZAFIATO - GIOTTO
Kessel - Heizköper - Sicherheitsventil | ROCKET ESPRESSO CRONOMETRO EVOLUZIONE TYPE V MOZZAFIATO - GIOTTO
Kessel - Heizköper - Sicherheitsventil | ROCKET ESPRESSO CRONOMETRO EVOLUZIONE TYPE V MOZZAFIATO - GIOTTO
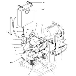
Dampf- / Wasserentnahme | ROCKET ESPRESSO CRONOMETRO EVOLUZIONE TYPE V MOZZAFIATO - GIOTTO
Dampf- / Wasserentnahme | ROCKET ESPRESSO CRONOMETRO EVOLUZIONE TYPE V MOZZAFIATO - GIOTTO
Pumpe - Hydraulik | ROCKET ESPRESSO CRONOMETRO EVOLUZIONE TYPE V MOZZAFIATO - GIOTTO
Pumpe - Hydraulik | ROCKET ESPRESSO CRONOMETRO EVOLUZIONE TYPE V MOZZAFIATO - GIOTTO
Elektrische Komponenten | ROCKET ESPRESSO CRONOMETRO EVOLUZIONE TYPE V MOZZAFIATO - GIOTTO
Elektrische Komponenten | ROCKET ESPRESSO CRONOMETRO EVOLUZIONE TYPE V MOZZAFIATO - GIOTTO
Gehäuse- / Anbauteile | ROCKET ESPRESSO CRONOMETRO EVOLUZIONE TYPE V MOZZAFIATO - GIOTTO
Gehäuse- / Anbauteile | ROCKET ESPRESSO CRONOMETRO EVOLUZIONE TYPE V MOZZAFIATO - GIOTTO
Top-Angebot
SIEBTRÄGER BODENLOS | FÜR BRÜHGRUPPEN E61...
SIEBTRÄGER BODENLOS | FÜR BRÜHGRUPPEN E61...
Artikel-Nr.: 1165189
SIEBTRÄGER BODENLOS | FÜR BRÜHGRUPPEN E61 HAUSHALT | BEZZERA - ECM - EXPOBAR - ISOMAC - ROCKET
45,95 € *
inkl. 19% USt. , zzgl. Versand
DICHTUNG SIEBTRÄGER | ø 73x57x8,5 mm | AUS...
DICHTUNG SIEBTRÄGER | ø 73x57x8,5 mm | AUS...
Artikel-Nr.: 1486040
DICHTUNG SIEBTRÄGER | ø 73x57x8,5 mm | AUS GELBEN SILIKON | FÜR BRÜHGRUPPEN E61 - E-61 - E64 - *** MODELLE SIEHE TABELLE ***
6,95 € *
inkl. 19% USt. , zzgl. Versand
DICHTUNG-SET KOMPLETT | FÜR...
DICHTUNG-SET KOMPLETT | FÜR...
Artikel-Nr.: UB5008
DICHTUNG-SET KOMPLETT | FÜR UNIVERSAL-BRÜHGRUPPE E-61- HAUSHALT *** MODELLE SIEHE TABELLE ***
19,95 € *
inkl. 19% USt. , zzgl. Versand
VIBRATIONSPUMPE | ULKA | TYP EX5 | 230V/50HZ - 48W |...
VIBRATIONSPUMPE | ULKA | TYP EX5 | 230V/50HZ - 48W |...
Artikel-Nr.: 1122735
VIBRATIONSPUMPE | ULKA | TYP EX5 | 230V/50HZ - 48W | 1/8" x ø 6 mm *** MODELLE SIEHE TABELLE ***
19,95 € *
inkl. 19% USt. , zzgl. Versand
Kategorien
Kategorien
  • Ersatzteile Maschinen
  • Ersatzteile Mühlen
  • Zubehör + Zubereitung
  • Reinigung + Entkalkung
  • Geschenk-Set
  • *** B-WARE + AUSLAUFARTIKEL***
  • Ersatzteil-Atlas A-Z

Service
Service

  • Bestell-Hotline + Produktauskunft
  • Selbstabholen in Wildau
  • Kontakt - e-Mail an uns
  • Gewinde Masstabellen

Kontaktdaten
espressoXXL.de UG
  • Friedrich-Engels-Str. 74
    15745 Wildau, Deutschland
  • +49 3375 520960
  • +49 3375 520961
  • info@espressoxxl.de
Informationen
Informationen
  • Startseite
  • Kontakt - e-Mail an uns
  • Zahlungsmöglichkeiten
  • Versandkostenübersicht
  • Rücksendung

Rechtliches
Rechtliches
  • Widerrufsbelehrung
  • Datenschutz
  • AGB
  • Impressum
  • Batterieverordnung

* Alle Preise inkl. gesetzlicher USt., zzgl. Versand
© espressoXXL.de
Betriebsferien

Wichtige Information zu den Weihnachtsfeiertagen:

Sehr geehrte Kundinnen und Kunden,

bitte beachten Sie, dass wir in der Zeit vom 23.12.2025 bis 02.01.2026 Betriebsferien machen. Bestellungen, die während dieses Zeitraums eingehen, werden nach unserer Rückkehr am 05.01.2026 wie gewohnt umgehend bearbeitet und versendet.

Wir danken Ihnen für Ihr Verständnis und wünschen Ihnen frohe Weihnachten, einen guten Rutsch ins neue Jahr und erholsame Feiertage!

Mit freundlichen Grüßen,
Ihr espressoxxl.de Team

Wie wir Cookies & Co nutzen

Durch Klicken auf „Alle akzeptieren“ gestatten Sie den Einsatz folgender Dienste auf unserer Website: YouTube, Vimeo, Doofinder. Sie können die Einstellung jederzeit ändern (Fingerabdruck-Icon links unten). Weitere Details finden Sie unter Konfigurieren und in unserer Datenschutzerklärung.

Impressum | Datenschutz
Datenschutz-Einstellungen

Einstellungen, die Sie hier vornehmen, werden auf Ihrem Endgerät im „Local Storage“ gespeichert und sind beim nächsten Besuch unseres Onlineshops wieder aktiv. Sie können diese Einstellungen jederzeit ändern (Fingerabdruck-Icon links unten).

Informationen zur Cookie-Funktionsdauer sowie Details zu technisch notwendigen Cookies erhalten Sie in unserer Datenschutzerklärung.

Impressum | Datenschutz

Weitere Informationen

Um Inhalte von YouTube auf dieser Seite zu entsperren, ist Ihre Zustimmung zur Datenweitergabe und Speicherung von Drittanbieter-Cookies des Anbieters YouTube (Google) erforderlich. Dies erlaubt uns, unser Angebot sowie das Nutzererlebnis für Sie zu verbessern und interessanter auszugestalten. Ohne Ihre Zustimmung findet keine Datenweitergabe an YouTube statt, jedoch können die Funktionen von YouTube dann auch nicht auf dieser Seite verwendet werden.

Beschreibung:

Einbetten von Videos

Verarbeitende Firma:

Google Inc.

Nutzungsbedingungen: Link

Weitere Informationen

Um Inhalte von Vimeo auf dieser Seite zu entsperren, ist Ihre Zustimmung zur Datenweitergabe und Speicherung von Drittanbieter-Cookies des Anbieters Vimeo erforderlich. Dies erlaubt uns, unser Angebot sowie das Nutzererlebnis für Sie zu verbessern und interessanter auszugestalten. Ohne Ihre Zustimmung findet keine Datenweitergabe an Vimeo statt, jedoch können die Funktionen von Vimeo dann auch nicht auf dieser Seite verwendet werden.

Beschreibung:

Einbetten von Videos

Verarbeitende Firma:

Vimeo

Nutzungsbedingungen: Link

Weitere Informationen

Um Daten an Doofinder zu übermitteln, ist Ihre Zustimmung zur Datenweitergabe und Speicherung von Drittanbieter-Cookies des Anbieters Doofinder erforderlich. Dies erlaubt uns, unser Angebot sowie das Nutzererlebnis für Sie zu verbessern und interessanter auszugestalten.

Beschreibung:

Doofinder conversion tracking

Verarbeitende Firma:

DooFinder S.L.

Nutzungsbedingungen: Link

Datenschutz-Einstellungen

Sie möchten diesen Inhalt sehen? Aktivieren Sie den gewünschten Inhalt einmalig oder legen Sie eine dauerhafte Freigabe fest. Bei Zustimmung werden Daten beim genannten Drittanbieter abgerufen. Dabei werden unter Umständen Drittanbieter-Cookies auf Ihrem Endgerät gespeichert. Sie können diese Einstellungen jederzeit ändern (Fingerabdruck-Icon links unten). Weitere Details finden Sie in unserer Datenschutzerklärung.

Weitere Informationen {{headline}} {{description}}